图知网
搜索
首页
热门推荐
图片分类
韩国女星刘仁娜穿白色抹胸裙走红毯身材火辣吸睛笑起来真甜
下载原图
相关图片
刘仁娜真敢穿,抹胸礼服裙搭"蝴蝶鞋","3d"上围惊爆眼球_手机搜狐网
韩星刘仁娜拍夏季宣传照 露纤腰身材苗条
刘仁娜美图集
难怪刘仁娜爱穿修身裙腰细腿长身材好连女生看了都羡慕
难怪刘仁娜爱穿修身裙腰细腿长身材好连女生看了都羡慕
韩国女星刘仁娜,穿白色抹胸裙走红毯,身材火辣吸睛,笑起来真甜
为你推荐
黄旭熙0528三亚跑男录制路透更新中骑上我心爱的小摩托
李冰冰演绎古驰gucci 眼镜广告片
说起待到重逢时boun,我要说些什么(新增绝美直播画面,美到我心率不齐)
中青漫评丨美美与共 对外开放红利惠及民生
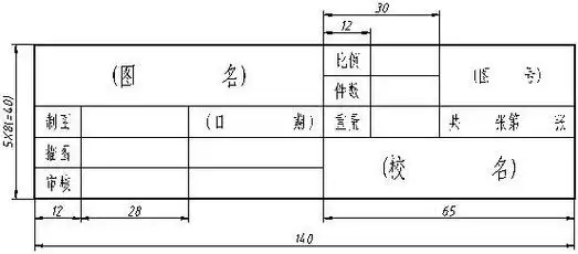
图纸标题栏尺寸标准,图纸标题栏 第1张
头像朱茵高清头像性感
无釉陶罐花瓶大号落地民宿装饰复古粗陶园林景观农村老旧组合土陶
#巩俐戛纳红毯气场##戛纳电影节##戛纳红毯#