求48v2a电动车锂电池充电器箭头所指电阻值多少

相关图片

蓄电池充电器电路图 63 2013-11-24 锂电池充电电路 3 2010-08-05 锂

铅酸蓄电池充电电路

汽车电池充电器电路图

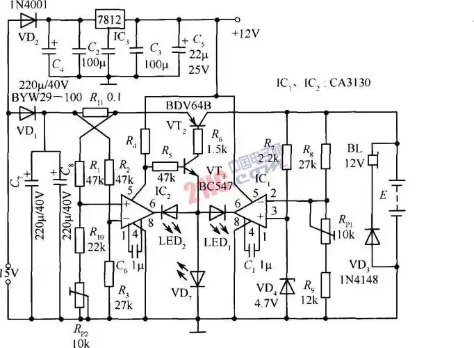
高性能恒流恒压镍镉电池充电器电路原理

简单实用的锂电池充电器电路

随机推荐

彭于晏在日本被偶遇,坐豪车开车的是个女生,被质疑和富婆谈恋爱

郑爽近照曝光穿名牌染黄发似精神小妹欠债千万还能如此潇洒

简笔画tfboys三兄弟人物简笔画 职业人物简笔画

马德华爆料徐少华这人有问题就为5块钱演唐僧拍一半就换人

帅气男士飞机头发型图片(最受欢迎的三种男生时尚发型)-启光圈

明星迪丽热巴贵气皇冠搭配玫瑰刺绣拖尾白纱裙星尚美图

乐山市第四届少儿篮球俱乐部联赛.报名通道正式开启#篮球90 - 抖音

对眼睛很友好的纯色壁纸