性感女神迪丽热巴演技与美貌集于一身美得让人移不开眼

相关图片

鞠婧祎个人资料来了.

原创被迪丽热巴惊艳了穿低胸鱼尾裙黑长直亮相怕走光要用手捂住

原创迪丽热巴靠颜值也能火穿得又厚又白还不显胖不愧是女明星身材

用自己的人脉给她介绍了很多很好的影视资源,迪丽热巴也没有辜负杨幂

果果的美篇

随机推荐

陈百强与陈爸爸9869969300

chanel香奈儿牛仔手柄沙滩包

程潇金发复古大片

为什么男女.为什么总是要等失去 - 抖音

上瘾-(有声书城)gay友必备网络热门耽美爱情同志小说阅读器

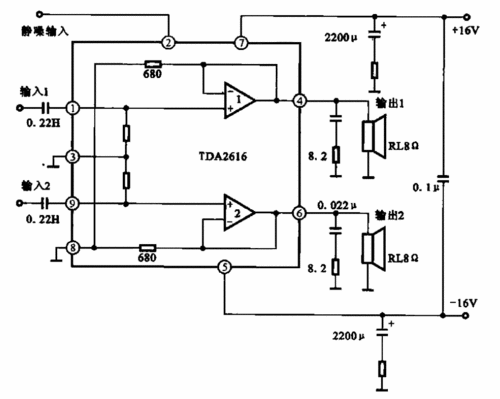
双声道高保真功率放大集成电路

超详细握杆姿势 高尔夫新手一看就会!今天分享一份详细的握杆 - 抖音

精致的发型,非常简单好打理,而且可爱感里带着酷酷的气息,又减龄还显