图知网
搜索
首页
热门推荐
图片分类
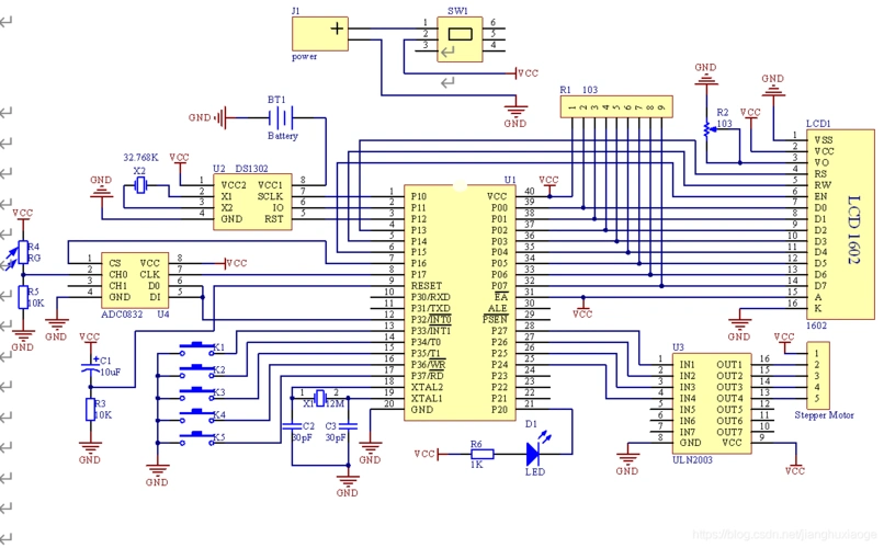
arduinounor3自己设计的原理图
下载原图
相关图片
电气控制原理图.png
1.4 计算机系统结构的发展
原理图.jpg
51单片机晶振的原理图 - csdn
开发板原理图
电源电路原理图_超声波电源电路原理图
为你推荐
演艺圈里男嵌,如果不靠父母的人脉加持,有几
【包邮包税】 bvlgari宝格丽 21年秋冬 女士 项链 divas dream
富二代关关被曝要嫁超强富二代,跪舔富人《欢乐颂2》_乔欣_安迪_刘涛
《沙海》张日山×梁湾百岁总裁追妻记
李亚男晒孕期写真,孕肚很美,但脚肿得让人心疼!
创造101罗志祥哈哈开心soogifsoogif出品gif动图_动态图_表情包下载
2021头像可爱呆萌动漫男生高清图片
乔迁之喜图片-乔迁之喜模板-在线设计制作-图怪兽