apc的ups电池线中性线的连接

相关图片

ups备用电源的电池问题!

山特c6ks双转换在线式ups电源备电1小时配16节12v38ahvrla电池

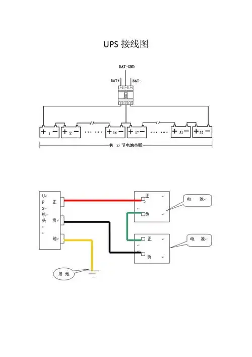
ups接线图与维修说明

山特ups电源c10ks电池组怎么安装

192vups电源 外接16块蓄电池安装图示-北京盛通力源科技有限公司

随机推荐

鹿晗解约 靠整容维持鲜肉颜

张艺兴今日份路透图,一身酒红色西装展露腹肌性感帅气

有没有动漫男生的壁纸最好是那种比较高冷的让人看一眼就感觉很惊艳的

龙泉市刀剑复古摆件百炼钢锻打黄铜雕刻一体短剑硬剑冷兵器未开刃

原创中国最美十位女明星高圆圆赵丽颖上榜第一实在让人意外

热巴闺蜜头像

明星帅哥杨洋壁纸_帅气的美男子

江西抚州大觉山不一样的漂流体验!