图知网
搜索
首页
热门推荐
图片分类
秀发过腰少妇剪短发芳飞1187
下载原图
相关图片
高挑美女剪前卫锅盖发型-芳飞1206#(4)
芳飞前沿美发网
秀发少妇再剃后空式bob发型-芳飞1374#(2)
大姑娘剪去一头漆黑秀发-芳飞1279
芳飞前沿美发网
芳飞前沿美发网
为你推荐
佟丽娅黑色圆领短裙,搭配黑金配色高跟鞋,简约又高级
该换上新的古风情侣头像啦~_拟人_内容_楼兰
吃鸡神器,某宝到手价28,9.5成新,包装完整,骨折价20
罗湖区田心村旧改确认实施主体的公示,华润集团开发
静物桌面壁纸,安静唯美的画面,简简单单的颜色,清新淡雅的文艺风格
带孩子一起学做这个蛋壳做的兔子灯吧!
lisa人像印花t恤blackpink美式短袖复古小领口嘻哈街头glowbullet
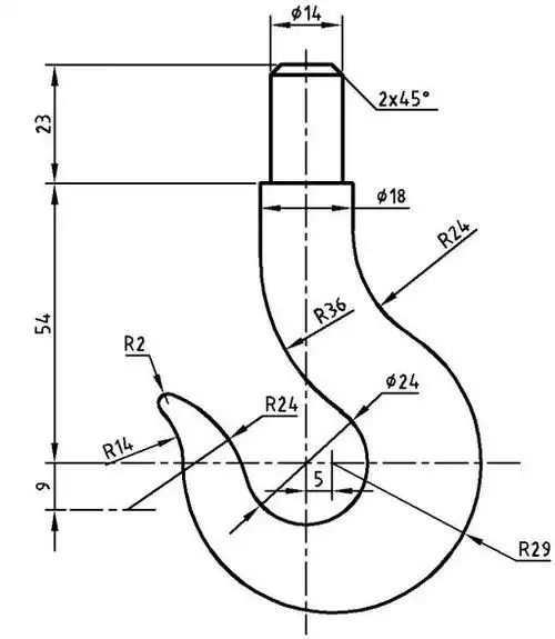
autocad 基础教程:绘制吊钩