图知网
搜索
首页
热门推荐
图片分类
拉斐尔
下载原图
相关图片
raffaello费列罗拉斐尔椰蓉扁桃仁巧克力15粒盒装150克
费列罗ferreroraffaello榛果威化巧克力8粒拉斐尔10粒组合套装送礼
共105 个商品
费列罗进口巧克力拉斐尔白球椰蓉酥糖果15粒食脆雪柔夹心巧克力
费列罗 朗慕 拉斐尔进口巧克力t12粒abc三款礼盒生日情人节礼物
拉斐尔
为你推荐
明星邓伦的豪宅第九季73
11岁男童被活活喂成肝硬化只因天天吃这个厦门家长这东西别再喂了
谭松韵穿克莱因蓝长裙尽显优雅 嘟嘴卖萌好可爱
黄奕凌晨巴黎街头拍写真穿抹胸长裙起舞美艳动人
女神桂纶镁,曾与周杰伦传绯闻,今与大17岁男友相恋18年仍不结婚
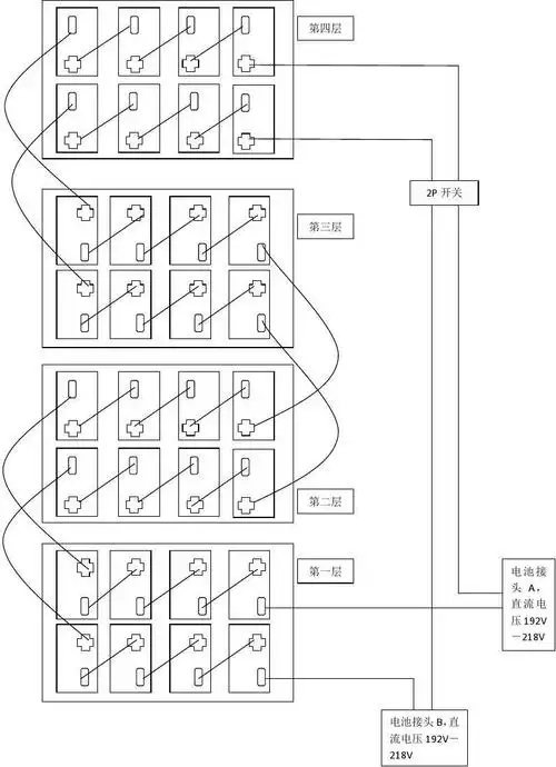
ups_a32电池箱内电池连接示意图_2组独立
唯美盛宴北京冬奥会举行花样滑冰表演滑
p>《山河令》是由慈文影视,优酷出品, a target="_blank" href="