图知网
搜索
首页
热门推荐
图片分类
虚拟偶像我爱你能否告诉你
下载原图
相关图片
虚拟偶像前世今生从初音到绊爱再到momo酱
虚拟偶像们的生意经
虚拟偶像
雪 柳野#定制虚拟偶像 #3d #二次元 #捏人 - 抖音
综合资讯 > 正文 基于这些原因,很多品牌已经开始试水虚拟偶像合作.
如何打动z世代虚拟偶像星瞳携手李宁玩起了新复古未来流行文化
为你推荐
刘宪华《这就是街舞4》第十期剧照图片
卡通手绘可爱q版人物头像练习
意想不到身高差异:唐嫣罗晋9cm,看看关晓彤:难怪从不穿高跟鞋
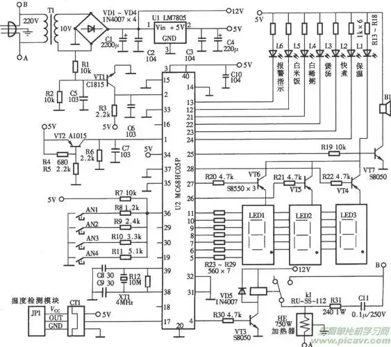
智能模糊控制电饭锅电路
网曝王灿成功"卸货"生子,杜淳晒妻子孕照大片,造型却意外获赞_孩子
池昌旭
angelababy杨颖2020年跑男花絮照
老凤祥款式幸运9999足银手镯女士银年轻款链2022情人节礼物送女友简约