图知网
搜索
首页
热门推荐
图片分类
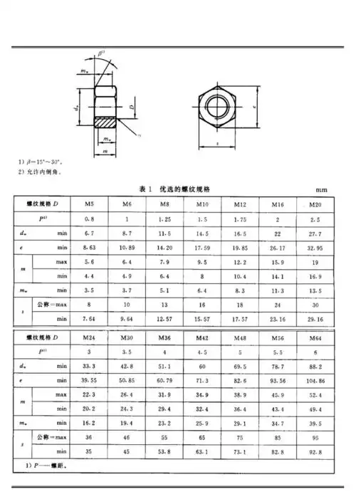
螺母是具有内螺纹并与螺栓配合使用的紧固件,具有内螺纹并与螺杆配合
下载原图
相关图片
内六角螺栓和螺母尺寸表
螺母螺栓尺寸对应表
国标螺母尺寸规格表
螺母规格表
螺栓螺母规格表
六角螺母尺寸
为你推荐
【面相解读】曾志伟爆料周冬雨
90年代港风复古电源感写真复古港风
张恒写真图片-自制1536x2048壁纸.-明星写真馆n63.com
[安卓社群助手朋友圈自动点赞]表情符号的意思对照表插图(3)
白百何婚内出轨是为什么 约会十八线男脑
鹿晗明星情侣同款学生小椰子鞋350v2男女网面跑步运动休闲鞋夏天
韩国长腿帅哥李钟硕高清电脑桌面壁纸下载
李连杰的黄飞鸿,黄日华的乔峰,为什么难以超越?