图知网
搜索
首页
热门推荐
图片分类
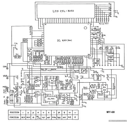
mf35万用表原理图.jpg
下载原图
相关图片
自制高性价比的数字万用表
六一之际给大家献上万用表图纸一堆
dt9205数字万用表电路图
六一之际给大家献上万用表图纸一堆
dt830b/cm2300型3 1/2位数字万用表电路
vc890c 数字万用表,电池没电了,接了个外接电源,结果正负极接错了,表
为你推荐
人物肖像画简笔画
原创李连杰近照流出衰老到认不出老年斑明显动作演员青黄不接
67欧豪有多帅萌坏系小鲜肉看了就爱了
本宝宝理发啦
人物哭的表情怎么画教你画不同角度哭泣的人物
正盛开的棉花,花,江洲是棉花种植产地,我们也欣赏一下它的花期美
67理想one漫彩改色膜pet冰莓粉典藏版优雅漂亮而显低调
圆形的简笔画